The Topic Is For
Battery Type/'s
-Lithium 100AH Batteries with 3.3KW Charger-Lithium 200AH Batteries with 3.3KW Charger
-Lithium 100AH Batteries with 6.6KW Charger
-Lithium 200AH Batteries with 6.6KW Charger
Manufacture Dates
Between 08/07/2014 Thru 12/31/2024
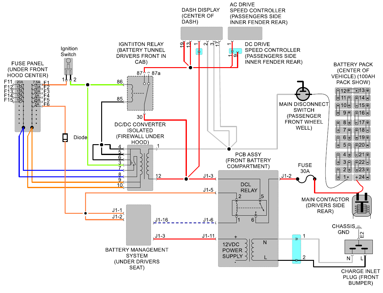
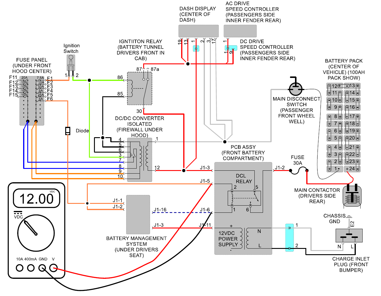
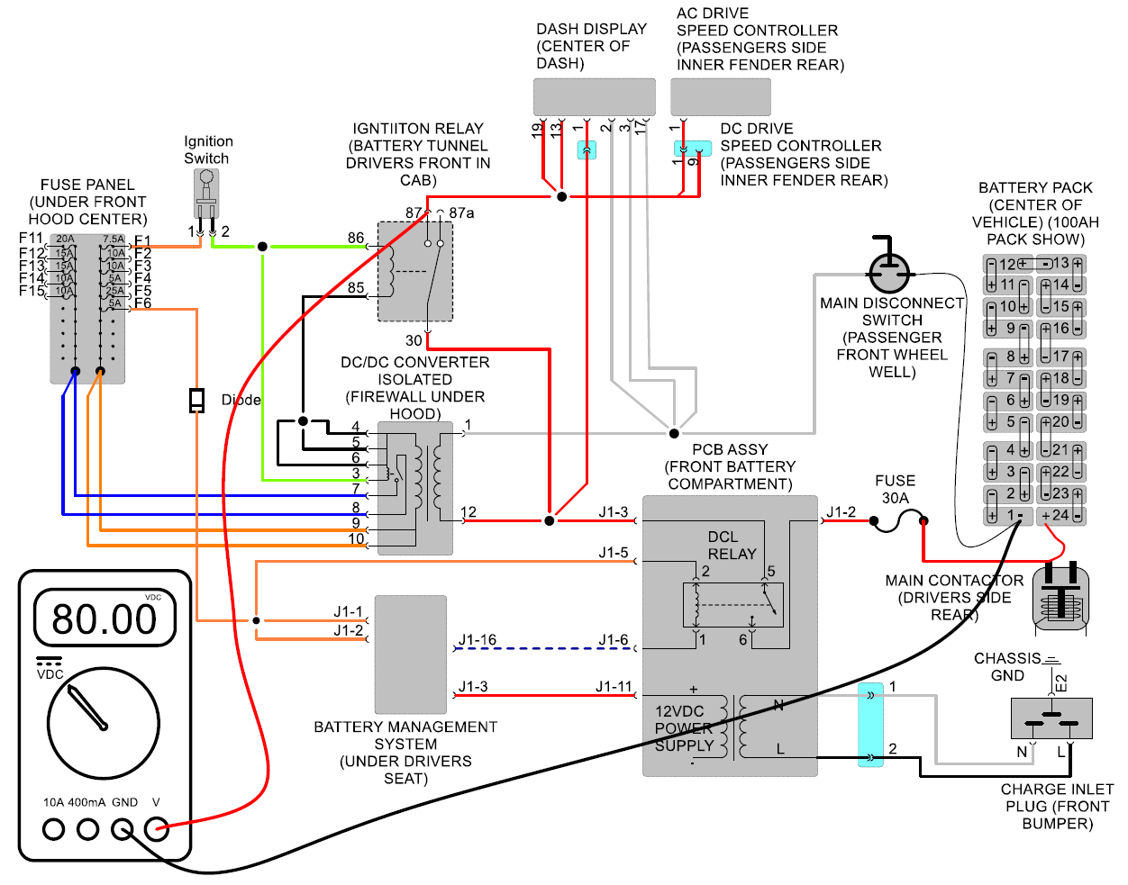
Ignition Circuit Wiring diagram

Test #1
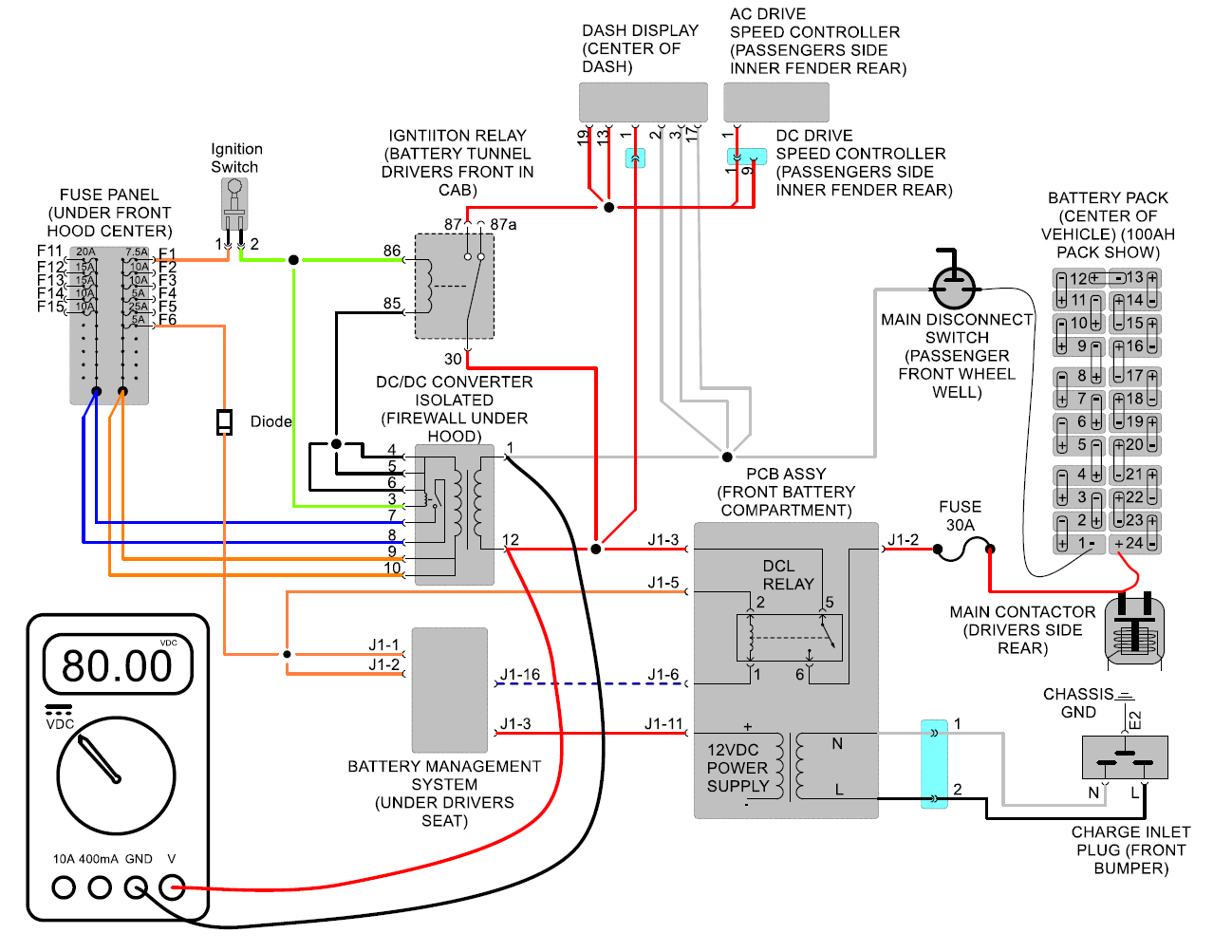
Measure voltage between pin#1 pin#12 of DC/DC converter 12 pin connector. Connector can be unplugged for this test but have the front bumper plugged in like as if you were charging vehicle. Should measure battery pack voltage which is typically about 80 volts DC.
If so, see test #2.
If not see test #1-2

Test #1-2
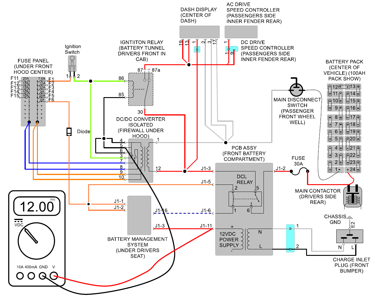
Measure voltage between pin #4, 5 or 6 of DC/DC converter 12 pin connector (Connector must be plugged in for this test) or any small black wire at the 15-pin connector going to center console and pin #11 of PCB assy. Have vehicle plugged in at the front bumper as if it were charging. Also, connector must remain plugged into the PCB assy. for this test. You should measure about 12 volts DC.
If so, see test #1-3
If not see test #1-2-2

Test #1-2-2
At the battery management system located under the drivers seat. Locate the main I/O connector which is white and has 26 pin locations. Measure voltage between pin #3 and pin #4, 5 or 6 of DC/DC converter 12 pin
connector (Connector must be plugged in for this test) or any small black wire at the 15 pin connector going to center console. Have vehicle plugged in at the front bumper as if it were charging. Also connector must remain plugged into the BMS for this test. You should measure about 12 volts DC.
If so, see test #1-3
If not more than likely the battery management system has an internal fault the DCL relay will not close and this fault must be corrected. Or also see test #1-2-3

Test #1-2-3
Measure voltage between pin #1 and #2 of gray 4 pin connector if the pcb assy. Have vehicle plugged in at the front bumper like its charging. You should measure the same AC voltage plugged into the front bumper 120VAC or 220VAC. If so the PCB assy is bad and needs to be replaced.
If not then either you have no power at the front inlet plug, a wiring issue between the inlet and this gray connector or wiring/plug issue at the charge port in the front bumper.
Test #1-3
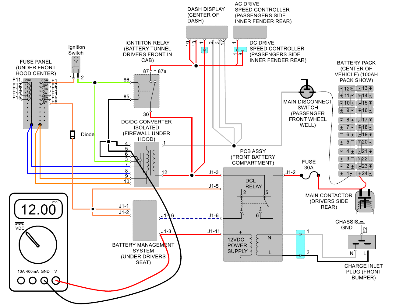
At the battery management system located under the drivers seat. Locate the main I/O connector which is white and has 26 pin locations. Measure voltage between pin #3 and pin #4, 5 or 6 of DC/DC converter 12 pin
connector (Connector must be plugged in for this test) or any small black wire at the 15 pin connector going to center console. Have vehicle plugged in at the front bumper as if it were charging. You should measure about 12 volts DC.
If so, see test #1-4
If not, you have a wiring issue between the battery management system and pcb assy.
Test #1-4
At the battery management system located under the driver's seat. Locate the main I/O connector which is white and has 26 pin locations. Measure voltage between pin #3 and pin #16. Have vehicle plugged in at the front bumper as if it were charging. Also, connector must remain plugged into the BMS for this test. You should measure about 12 volts DC.
If so, see test #1-5
If not more than likely the battery management system has an internal fault the DCL relay will not close, and this fault must be corrected. In order to read fault code, you will require a computer and diagnostic cable part# U5665A-N.
If not more than likely the battery management system has an internal fault the DCL relay will not close, and this fault must be corrected. In order to read fault code, you will require a computer and diagnostic cable part# U5665A-N.
Test #1-5
At the lithium PCB assembly located at the front of the battery pack. Locate the main I/O connector which is black. Measure voltage between pin #5 and pin #6. Have vehicle plugged in at the front bumper as if it were charging. You should measure about 12 volts DC.
If not, you may have a connection issue between battery management system and pcb assy. but also see test #1-5-2.
If so, see test #1-6.
If not, you may have a connection issue between battery management system and pcb assy. but also see test #1-5-2.
If so, see test #1-6.

Test #1-5-2
Measure voltage between B- of main battery pack and pin #2 of black connector at pcb assy. You should measure pack voltage typically 80VDC.
If so, see test #1-5-3
If not see test # 1-5-2-2

Test #1-5-2-2
Measure voltage between B- of main battery pack and both sides of main 30-amp fuse located in the driver's side rear of vehicle. You should measure pack voltage typically 80VDC on both sides.
If so, then you have a wiring issue between the fuse and pcb assy.
If you have power on one side, then fuse is blown replace and retest.
If no power on either side, then you have a connection issue between 30A fuse and battery pack.
Test #1-5-3
Measure voltage between B- of main battery pack and pin #3 of black connector at pcb assy. Connector must remain plugged in for this test. You should measure pack voltage typically 80VDC.
If not, pcb assy is bad and needs to be replaced.
If so, you have a wiring issue between pcb assy and converter.
Test #1-6
At the lithium PCB assembly located at the front of the battery pack. Locate the main I/O connector which is black. Measure voltage between pin #5 and pin #6. Have vehicle plugged in at the front bumper as if it were charging. You should measure about 12 volts DC.
If not, you may have a connection issue between battery management system.
and pcb assy. but also see test #1-5-2.
If so, see test #1-6.
Test #2
Measure voltage between pin#4, 5 or 6 pin#9 or 10 of DC/DC converter 12 pin connector. Connector must be plugged in for this test. Should measure about 13.5 volts DC.
If so, see test #3.
If not DC/DC converter is bad and needs to be replaced.
Test #3
Measure voltage between pins #4, 5 or 6 pin #3 of DC/DC converter 12 pin connector. Connector must be plugged in for this test. Ignition key needs to be in the on position. Should measure about 13.5 volts DC.
If so, see test #4
If not see test #5
Test #4
Measure voltage between pin #4, 5 or 6 pin #7 or 8 of DC/DC converter 12 pin connector. Connector must be plugged in for this test. Ignition key needs to be in the on position. Should measure about 13.5 volts DC.
If so, DC/DC converter is bad and needs to be replaced.
If not see test #5
Test #5
Measure voltage between pin #4, 5 or 6 of DC/DC converter 12 pin connector (Connector must be plugged in for this test) and top of F1 fuse. Both sides of fuse should measure 13.5 volts DC.
If so, see test #6.
If only one side fuse is blown, try new good fuse and retest.
If neither side measure voltage, then you have a wiring/connection issue in the fuse panel or between fuse panel and DC/DC converter.
Test #6
Test #7
Measure voltage between pin #4, 5 or 6 of DC/DC converter 12 pin connector (Connector must be plugged in for this test) or any small black wire at the 15-pin connector going to center console and pin #2 of ignition switch with ignition switch in the on position. Should measure 13.5 volts DC.
If so, see test #8.
If not, you have a bad ignition switch.
Test #8
Measure voltage between pin #4, 5 or 6 of DC/DC converter 12 pin connector (Connector must be plugged in for this test) or any small black wire at the 15-pin connector going to center console and pin #86 of ignition switch relay with ignition switch in the on position. Should measure 13.5 volts DC.
If so, see test #9.
If not, you have a wiring issue between ignition switch and ignition switch relay.
Test #9
Test #10
Measure voltage between B- of main battery pack and pin #87 of ignition switch relay with ignition switch in the on position Should measure pack voltage typically about 80 volts.
If so, see test #11.
If not, ignition relay is bad and needs to be replaced.
Test #11
Measure voltage between B- of main battery pack or speed controller and pin #1 of speed controller with ignition switch in the on position Should measure pack voltage typically about 80 volts.
If so and controller is not powered (no LED lights) controller is bad and needs to be replaced.
If not, you have a wiring issue between the ignition relay and speed controller.
Measure voltage between B- of main battery pack and pin #30 of ignition switch relay Should measure pack voltage typically about 80 volts.
If so, see test #10.
If not since test #1 tested good, then you would have a wiring issue between the ignition relay and the wiring harness splice.
Measure voltage between pin #4, 5 or 6 of DC/DC converter 12 pin connector (Connector must be plugged in for this test) or any small black wire at the 15-pin connector going to center console and pin #1 of
ignition switch. Should measure 13.5 volts DC.
If so, see test #7.
If not, you have a wiring issue between the ignition switch and F1 fuse panel.

