Drive System/'s
-AC Drive SystemManufacture Dates
Between 12/14/2011 Thru 12/31/2024
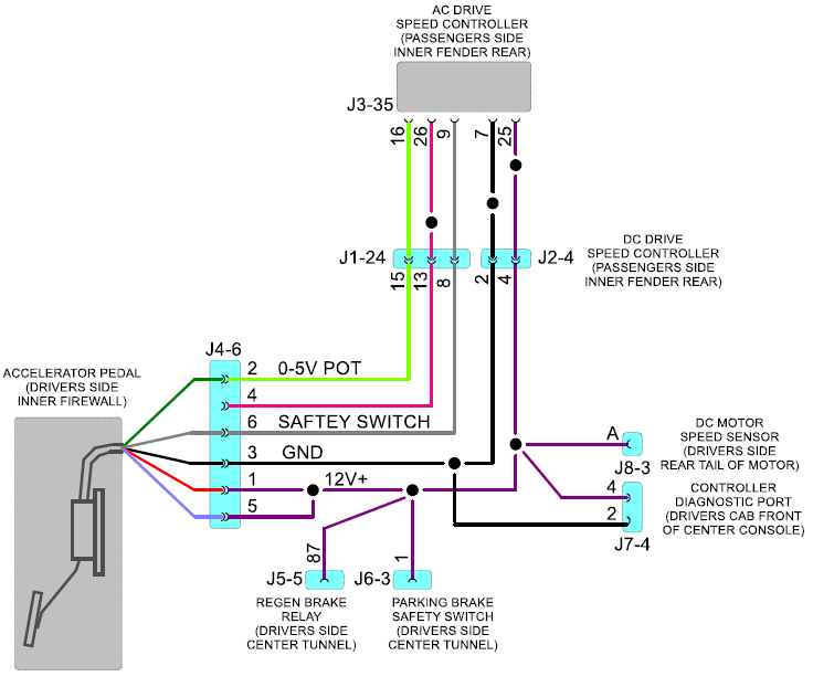
WIRING DIAGRAM ACCEL CIRCUIT
TEST #1
Measure between pin#1 & pin# 3 of 6 pin accel pedal connector. Connector can be unplugged for this test. Ignition key must be on. If voltage is about 12VDC continue to test 2. If no voltage is present continue to test 2-1.
TEST #2
Measure between pin#5 & pin# 3 of 6 pin accel pedal connector. Connector can be unplugged for this test. Ignition key must be on. If voltage is about 12VDC continue to test 3. If no voltage is present, you have a connection issue in the violet wire circuit.
TEST #3
Measure between pin#6 & pin# 3 of 6 pin accel pedal connector. Connector needs to be plugged in for this test. So, you will need to back probe the terminal. Ignition key must be on. With pedal not pressed you should have 0 volts. If voltage is present accel pedal is bad and needs to be replaced. With pedal pressed 2-100% you should have 12 volts. If so, continue to test 4. If no voltage is present accel pedal is bad and needs to be replaced.
TEST #4
Measure between pin#2 & pin# 3 of 6 pin accel pedal connector. Connector needs to be plugged in for this test. So, you will need to back probe the terminal. Ignition key must be on. With pedal not pressed you should have .2 volts. As you press the pedal the voltage should rise gradually to about 4 volts. If so, continue to test 5. If not accel pedal is bad and needs to be replaced.
TEST #5
Measure between pin#16 of 35 pin speed controller connector & B- cable connection of speed controller. Connector needs to be plugged in for this test. So, you will need to back probe the terminal. Ignition key must be on. With pedal not pressed you should have .2 volts. As you press the pedal the voltage should rise gradually to about 4 volts. If so, continue to test 6. If not, you have a connection issue between the accel pedal and controller.
TEST #6
Measure between pin#9 of 35 pin speed controller connector & B- cable connection of speed controller. Connector needs to be plugged in for this test. So, you will need to back probe the terminal. Ignition key must be on. With pedal not pressed you should have 0 volts. If voltage is present, you have a wiring issue between accel pedal and controller. With pedal pressed 2-100% you should have 12 volts. If so, pedal circuit is operating correctly. If not, you have a connection issue between the accel pedal and controller.
TEST #2-1
Measure between pin#25 of 35 pin speed controller connector & B- cable connection of speed controller. Connector needs to be plugged in for this test. So, you will need to back probe the terminal. Ignition key must be on. You should have 12VDC present. If so, you have a connection issue from speed controller to accel pedal either with the violet wire or the black wire. If not speed controller is bad or a connection issue is present at the pin#25 terminal.






